Прокладка для бочка к унитазу Сзкпс ИнкоЭр
Артикул:
64113247
Прокладка для бочка к унитазу Сзкпс ИнкоЭр
Подробнее
96 руб./шт
Товар закончился
Под заказ
Наши менеджеры обязательно свяжутся с вами и уточнят условия заказа
Цена действительна только для интернет-магазина и может отличаться от цен в розничных магазинах
Описание
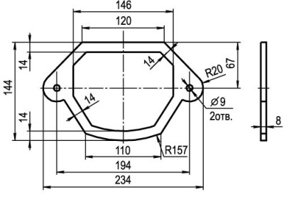
Прокладка для бочка к унитазу Сзкпс ИнкоЭрПрокладка для унитазов ТМ "Cersanit", Сызранская керамика (г.Сызрань).
Прокладка устанавливается между бачком и унитазом для обеспечения герметичности соединения.
Материал: пластикат.
Толщина 8мм
Характеристики
|
ШтрихКод
|
4607129333031 |
|
Реквизиты
|
Армаатура, клапаны, Товар, ЦБ-00032024 |
|
Базовая единица
|
шт |
|
Производитель
|
ИнкоЭр |
Наличие
Будьте всегда в курсе!
Узнавайте о скидках и акциях первым
Новости
Все новости
7 ноября 2020
Поступление посуды из Кунгура
13 ноября 2017
Фрезия - цветок наслаждения.
18 ноября 2016
Консультации Агронома


